Контакты
Новости
Каталоги
 Войти
Сортировать:
Сначала новые
Сначала старые
Цена ↑
Цена ↓
Кол-во ↑
Кол-во ↓
Имя A→Я
Имя Я→A
Серийник ↑
Серийник ↓
87790492 - комплект
9 266 ₽
48097901 - датчик
4 069 ₽
504114351 - крышка
2 387 ₽
76086238 - шпилька
1 896 ₽
VALVE
4 068 ₽
76091077 - защитная
1 728 ₽
82020186 - Болт
2 904 ₽
84324326 - пружина
2 895 ₽
84320420 -
2 697 ₽
84322700 - Пластина
2 309 ₽
84565800 - патрубок
4 069 ₽
84569150 - гайка
3 334 ₽
87791049 - набор шатунных вкладышей
2 631 ₽
87791051 - комплект
2 423 ₽
87791052
2 483 ₽
87800051 - прокладка
1 332 ₽
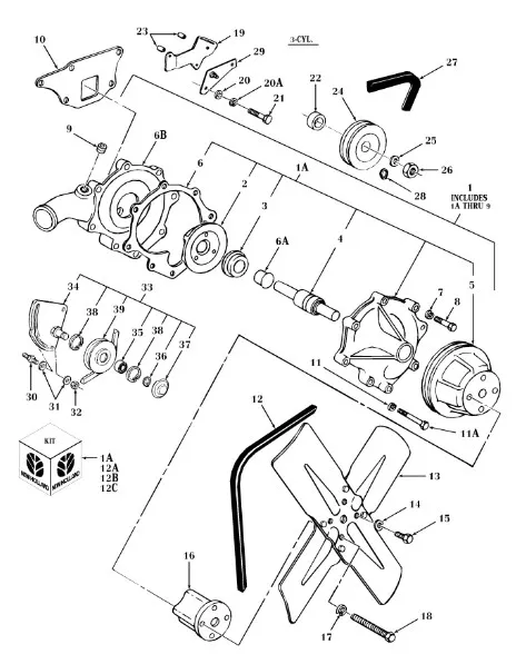
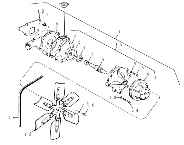
87800109 - Ремкомплект водяного насоса
32 094 ₽
87800116 - насос водяной
6 606 ₽
87800117 - насос водяной
34 878 ₽
87800118 - Водяной насос
44 316 ₽
87800187 -
8 294 ₽
87800194 - топливный
11 724 ₽
87800195 - прокладка
158 ₽
87800219R
42 171 ₽
«
<
1
...
85
86
87
88
89
...
34117
>
»
Страница:
Перейти